legines.com
Nickelverringende Reduzierung der Brustwarze 2501

Nickelverringende Reduzierung der Brustwarze 2501

Nickel-plattierter Brustwarze zum Anschließen von zwei Gewinderohren oder -armaturen und der Ausdehnung der Rohrlänge
-Male NPT -Threads zum Anschließen mit weiblichen Gewinderohren
-Hexagonales mittlerer Abschnitt zum Anziehen mit einem Schraubenschlüssel
-Bass für Korrosionsbeständigkeit, Duktilität bei hohen Temperaturen und niedrige magnetische Permeabilität

Typische Anwendung:
Fett-, Kühl-, Instrumentations- und Hydrauliksysteme.Fuel

Vorteile:
Trockenpipe -Gewinde (BSPT (R)/BSP (G). Large -Bereich von Größen und Konfigurationen

Kontaktieren Sie uns

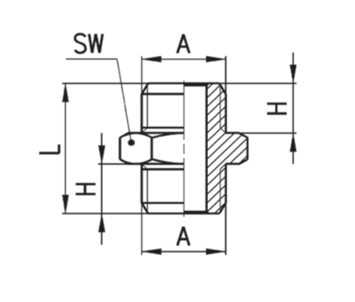
Spezifikationen

TEIL#

Gewindegröße a

S.W.

L

H

2501-m5

M5

8

11.5

4.0

2501-a

G1/8

13

16.5

6.0

2501-b

G1/4

17

21.0

8.0

2501-c

G3/8

19

23.0

9.0

2501-d

G1/2

24

25.5

10.0

Kontakt mit uns

Um Leginen

Legines Industrial Machinery Inc.

Als professionelle chinesische Messingbeschaffungshersteller und Push -Fitmes -Lieferanten nimmt die vollständige CNC -Bearbeitung ein und besitzt die Werkstattfläche von 3600 Quadratmetern. 45 Automatische Werkzeugmaschinen, 35 halbautomatische CNC-Werkzeugmaschinen sowie Händler, die zu wichtigen Lieferanten für die Herstellung von amerikanischen Standard-Messing-Teilen in China geworden sind ...
  • Ehre
  • Ehre

ANWEISUNGEN & NACHRICHT