legines.com
51# SAE 45 ° Flare Messing Forged Male Run T -Shirt

51# SAE 45 ° Flare Messing Forged Male Run T -Shirt

Produktfunktionen:
■■ Alle Messingkonstruktionen
■■ Widersteht der Vibration mit langer Nuss
■■ UL -Auflistung
■■ Funktionale Anforderungen von SAE J512 und J513


Märkte: Anwendungen:
■■ Kühlung ■■ Kältemittellinien
■■ Schwerlastwagen ■■ Propan
■■ Mobile ■■ Brennstoffe
■■ Industriell ■■ Adapter
■■ Heizung ■■ Erdgas
■■ Klimaanlage

Referenzteil Nr.:
T3- 151F -51 -10361 bis 10360

Kontaktieren Sie uns

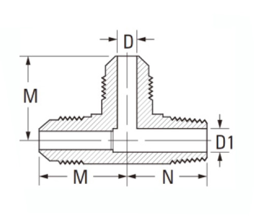
Spezifikationen

TEIL#

Flare O.D × Faden

D

M

N

51-3 a

3/16 × 1/8

.126

.75

.75

51-4 a

1/4 × 1/8

.189

.78

.75

51-4b

1/4 × 1/4

.189

.88

.88

51-5 a

5/16 × 1/8

.219

.88

.80

51-5b

5/16 × 1/4

.219

1.00

.94

51-6b

3/8 × 1/4

.282

1.00

.94

51-6c

3/8 × 3/8

.282

1.00

1.00

51-6D

3/8 × 1/2

.282

1.12

1.22

51-8c

1/2 × 3/8

.408

1.16

1.09

51-8d

1/2 × 1/2

.408

1.22

1.22

51-10d

5/8 × 1/2

.500

1.41

1.31

51-12d

3/4 × 1/2

.625

1.63

1.59

51-12e

3/4 × 3/4

.625

1.63

1.44

*Ref.Sae Nr. 010424

SAE 45 ° Flare Messing Forged Male Run T -Shirt. Dieser Teil wird aus allen Messings hergestellt, einschließlich der Flansche und der Nuss. Diese Armaturen werden in Anwendungen verwendet, in denen eine Vibration vorliegt, wie z. B. Kühl- und mobile Kraftstoffleitungen. Das Lauf -Tee hat funktionale Anforderungen an SAE J512 und J513, mit einer langen Nuss, die Vibration widersetzt.

Kontakt mit uns

Um Leginen

Legines Industrial Machinery Inc.

Als professionelle chinesische Messingbeschaffungshersteller und Push -Fitmes -Lieferanten nimmt die vollständige CNC -Bearbeitung ein und besitzt die Werkstattfläche von 3600 Quadratmetern. 45 Automatische Werkzeugmaschinen, 35 halbautomatische CNC-Werkzeugmaschinen sowie Händler, die zu wichtigen Lieferanten für die Herstellung von amerikanischen Standard-Messing-Teilen in China geworden sind ...
  • Ehre
  • Ehre

ANWEISUNGEN & NACHRICHT