legines.com
24m Presto -Verteiler

24m Presto -Verteiler

Produktfunktionen:
■■ Messing Collet
■■ Buna n O-Ring
■■ Rostfreie Stahlrohrstütze
■■ Trifft D.O.T. FMVSSS571.106
■■ Trifft SAE J2494-3
■■ Zusammengesetzter Körper - stark, leicht, kompakt und wirkungsbeständig
■■ Plug-in-Konfigurationen

Märkte:
■■ Schwerlastwagen
■■ Anhänger
■■ Mobile

Anwendungen:
■■ Luftbremsen
■■ Lufttanks
■■ Luftfahrt
■■ Schieberegler
■■ Reifeninflation
■■ Primär- und Sekundärleitungen
■■ CAB kontrolliert

Kontaktieren Sie uns

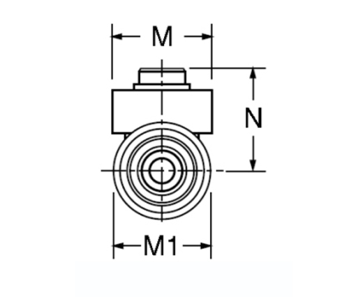
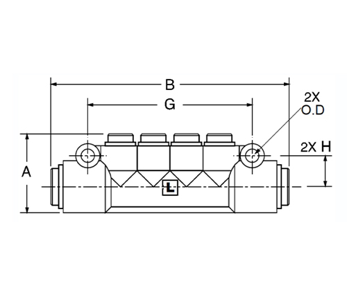
Spezifikationen

TEIL

NEIN.

Rohr o.d

lnlet

Rohr o.d

Steckdose

A B D G H M M1 N
24m-4-4 1/4 1/4 1.33 3.98 .21 2.75 .53 .90 .88 .89
24m-6-4 3/8 1/4 1.33 4.00 .21 2.75 .53 .90 .88 .89
24m-6-6 3/8 3/8 1.65 6.49 .22 4.55 .60 1.02 1.02 1.33
24m-8-8 1/2 1/2 1.65 6.49 .22 4.55 .60 1.02 1.02 1.33
24M-8-6-4-4-6-8 1/2 3/8 & 1/4 1.65 6.49 .22 4.55 .60 1.02 1.02 1.17

24m Presto -Verteiler ist so konstruiert, dass er einen einfachen, schnellen und zuverlässigen Service bietet. Der zusammengesetzte Körper mit starkem, leichtem, wirkungsbeständigem und kompaktem Design sorgt für Festigkeit und reduziert gleichzeitig die Masse. Der 24-m-Presto-Verteiler ist so konzipiert, dass er D.O.T-FMVSS571.106, SAE J2494-3 Anforderungen für Hochdruckanwendungen erfüllt. Die Plug & Play -Funktionen ermöglichen eine maximale Vielseitigkeit in jeder Anwendung.

Kontakt mit uns

Um Leginen

Legines Industrial Machinery Inc.

Als professionelle chinesische Messingbeschaffungshersteller und Push -Fitmes -Lieferanten nimmt die vollständige CNC -Bearbeitung ein und besitzt die Werkstattfläche von 3600 Quadratmetern. 45 Automatische Werkzeugmaschinen, 35 halbautomatische CNC-Werkzeugmaschinen sowie Händler, die zu wichtigen Lieferanten für die Herstellung von amerikanischen Standard-Messing-Teilen in China geworden sind ...
  • Ehre
  • Ehre

ANWEISUNGEN & NACHRICHT