legines.com
64# Brass Union Tee -Kompressionsfunktionen

64# Brass Union Tee -Kompressionsfunktionen

Messing Union Tee -Kompressionsfunktionen 64#

Anwendungen: Märkte:
■■ Luftleitungen ■■ Industriell
■■ Schmierlinien ■■ Verpackung
■■ Kühlleitungen ■■ Pneumatisch
■■ Industrie ■■ Drucken
■■ Maschinen
■■ Kompressoren
■■ Flüssigkeitsübertragung

Produktfunktionen:
■■ Erfüllt die funktionalen Anforderungen von SAE J-512
■■ UL wurde für brennbare Flüssigkeit gelistet
■■ Messing- oder Acetalärmel erhältlich
■■ Keine Rohrvorbereitung
■■ Geschmiedete und extrudierte Formen

Referenzteil Nr.:
64 -164c -S64 -64a

Kontaktieren Sie uns

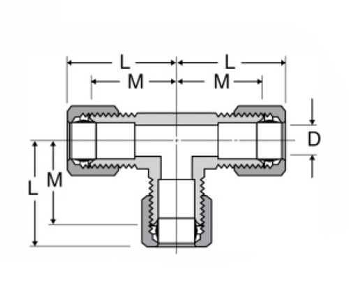
Spezifikationen

TEIL#

Rohrgröße O.D.

M

M

D

64-2

1/8

/

.53

.94

64-3

3/16

/

.59

.125

64-4

1/4

/

.627

.188

64-5

5/16

/

.65

.250

64-6

3/8

/

.73

.312

64-8

1/2

/

.94

.406

64-10

5/8

/

1.06

.500

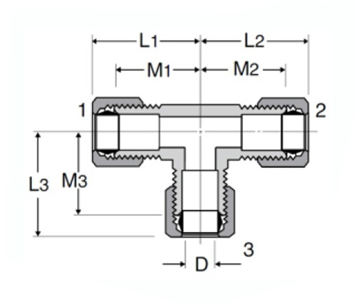
TEIL#

Rohrgröße

M1

M2

M3

64-4-4-6

1/4x1/4x3/8

.69

.69

.75

64-4-6-4

1/4x3/8x1/4

.69

.75

.69

64-6-6-4

3/8x3/8x1/4

.75

.75

.69

64-8-8-6

1/2x1/2x3/8

.94

.94

.81

64-10-10-8

5/8x5/8x1/2

1.06

1.06

1.06

*Ref.Sae Nr. 060401 Ba

Unsere 64 Brass Union Tee-Komprimierungsanpassungen sind UL für brennbare Flüssigkeit aufgeführt und erfüllen die funktionalen Anforderungen von SAE J-512. Sie sind in geschmiedeten oder extrudierten Formen erhältlich und sind sowohl mit bearbeiteten als auch mit Sockelfäden und entweder in Messing- oder Acetalhülsen erhältlich. Erhältlich mit Messing- oder Acetalärmel sind alle Komponenten für eine einfache Installation ausgelegt, sodass Ihre Installation reibungslos verläuft.

Kontakt mit uns

Um Leginen

Legines Industrial Machinery Inc.

Als professionelle chinesische Messingbeschaffungshersteller und Push -Fitmes -Lieferanten nimmt die vollständige CNC -Bearbeitung ein und besitzt die Werkstattfläche von 3600 Quadratmetern. 45 Automatische Werkzeugmaschinen, 35 halbautomatische CNC-Werkzeugmaschinen sowie Händler, die zu wichtigen Lieferanten für die Herstellung von amerikanischen Standard-Messing-Teilen in China geworden sind ...
  • Ehre
  • Ehre

ANWEISUNGEN & NACHRICHT