legines.com
131 Stahl invertierte Bremsleitungsstopfen

131 Stahl invertierte Bremsleitungsstopfen

Produktfunktionen:
■■ Alle Messingkonstruktionen
■■ UL wurde für brennbare Flüssigkeit und Gas aufgeführt
■■ Erfüllt die funktionalen Anforderungen von SAE J512
■■ Stahlmutter für die Wirtschaftlichkeit

Märkte: Anwendungen:
■■ Klimaanlage ■■ Kältemittellinien
■■ Marine ■■ Bremsleitungen
■■ Mobile ■■ Kraftstoffleitungen
■■ Motoren

Kompatible Schläuche:
■■ Kupfer
■■ Messing
■■ Aluminium
■■ Hydraulischer Schläuche mit geschweißtem Stahl

Kontaktieren Sie uns

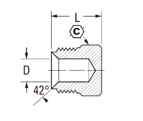
Spezifikationen

TEIL#

Rohr o.d

C

D

L

131-3

3/16 3/8 .188

.53

131-4

1/4 7/16 .188 .54

131-5

5/16 1/2 .250 .59

131-6

3/8 5/8 .312 .66

*Ref.Sae Nr. 040109 Ba

Unsere 131 -Serie von Messing -Bremslinienanschlüssen ist speziell für Gas- und Kraftstoffleitungen ausgelegt. Das umgekehrte Design bietet eine leckfreie Verbindung in engen Anwendungen.
Der invertierte Bremsleitungsstopfen mit Stahlstahl ist ein Feuer- oder Benzin-kompatibler, umgekehrter Schraubenschlüsselstecker, der zum Versiegeln des terminalen Ende des flexiblen Schlauchs ausgelegt ist. Es besteht aus zinkplattiertem Stahl zur Korrosionsbeständigkeit und einem integralen Plastikeinsatz, der Festigkeit gegen Verzerrungen bietet. Auch mit einer Messingkonstruktion erhältlich.
Dieses Produkt ist ein Messing- und Stahlplattedopfen mit umgekehrter Fackelanpassung. Es wird dazu gebracht, 1/8. Röhrchen zu akzeptieren. Die Dimension beträgt 0,53 "Durchmesser von 0,54" tief. Diese Steckerstil kann nur für Kupfer-, Stahl- und Aluminiumrohre verwendet werden.
Die Wirtschaft ist oft der Name des Spiels in Bremslinienanwendungen. Und es gibt keinen besseren Weg, um Geld zu sparen als mit diesem Linienstopfen, der frische Luft aus Ihren Linien fernhält, aber gut aussieht und die kommenden Jahre dauern wird. Mit einer Stahlmutter und einem Messingfass wird dies Ihre Bedürfnisse sicher erfüllen.

Kontakt mit uns

Um Leginen

Legines Industrial Machinery Inc.

Als professionelle chinesische Messingbeschaffungshersteller und Push -Fitmes -Lieferanten nimmt die vollständige CNC -Bearbeitung ein und besitzt die Werkstattfläche von 3600 Quadratmetern. 45 Automatische Werkzeugmaschinen, 35 halbautomatische CNC-Werkzeugmaschinen sowie Händler, die zu wichtigen Lieferanten für die Herstellung von amerikanischen Standard-Messing-Teilen in China geworden sind ...
  • Ehre
  • Ehre

ANWEISUNGEN & NACHRICHT