legines.com
100 Messingmutter invertiertes Flare -Anpassungsröhrchen

100 Messingmutter invertiertes Flare -Anpassungsröhrchen

Produktfunktionen:
■■ Alle Messingkonstruktionen
■■ UL wurde für brennbare Flüssigkeit und Gas aufgeführt
■■ Erfüllt die funktionalen Anforderungen von SAE J512
■■ Stahlmutter für die Wirtschaftlichkeit

Märkte: Anwendungen:
■■ Klimaanlage ■■ Kältemittellinien
■■ Marine ■■ Bremsleitungen
■■ Mobile ■■ Kraftstoffleitungen
■■ Motoren

Kompatible Schläuche:
■■ Kupfer
■■ Messing
■■ Aluminium
■■ Hydraulischer Schläuche mit geschweißtem Stahl

Referenzteil Nr.:
2100 41if -100 -41ib

Kontaktieren Sie uns

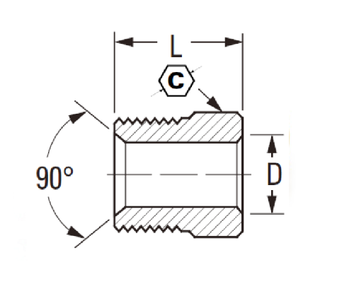
Spezifikationen

TEIL#

Rohr o.d

C

D

L

100-3

3/16 3/8 .196

.56

100-4

1/4 7/16 .259 .56

100-5

5/16 1/2 .321 .62

100-6

3/8 5/8 .384 .66

100-8

1/2

3/4

.508

.74

*Ref.Sae Nr. 040110 Ba

Diese umgekehrte Flare -Anpassung besteht aus Messing. Die Anpassung enthält eine Stahlmutter für die Sicherheit und kann mit Kupfer, Messing oder Aluminiumrohr verwendet werden. Es erfüllt alle funktionalen Anforderungen von SAE J512.
All-Brass-Konstruktion, 100% ASME B16.28, SAE J512 & SAE J5195.0 Kompressoranpassungen sind für die Verwendung in Hochtemperaturanwendungen von Dampf und Wasser ausgelegt. Blöses Rohrkompatibilität kann mit 25 Millimetern mit einem Stahlrohr oder einem Rohr bis zu 1 Zoll angeschlossen werden.
Diese umgekehrte Fackel -Anpassungs -Rohrmutter, die allgemein als Kuppler bezeichnet wird, ist so ausgelegt, dass sie zwei Schläuche in derselben Ebene verbinden. Die Anpassung verwendet eine Stahlmutter mit einem Fackelende, das in die weibliche Fackelanpassung am anderen Ende des Rohrs passt. Diese Armaturen werden ausgiebig in einer Reihe von Anwendungen von Klimaanlagen bis hin zu mobilen Dieselmotoren verwendet.
Hochleistungs - diese invertierenden Fackeln sind ausschließlich aus Messing hergestellt und speziell für die Verwendung mit Kupfer- oder Aluminiumrohre ausgelegt. Jede Anpassung ist vollständig einstellbar und die Hochleistungskonstruktion sorgt während der Nutzung.

Kontakt mit uns

Um Leginen

Legines Industrial Machinery Inc.

Als professionelle chinesische Messingbeschaffungshersteller und Push -Fitmes -Lieferanten nimmt die vollständige CNC -Bearbeitung ein und besitzt die Werkstattfläche von 3600 Quadratmetern. 45 Automatische Werkzeugmaschinen, 35 halbautomatische CNC-Werkzeugmaschinen sowie Händler, die zu wichtigen Lieferanten für die Herstellung von amerikanischen Standard-Messing-Teilen in China geworden sind ...
  • Ehre
  • Ehre

ANWEISUNGEN & NACHRICHT