legines.com
3350# 45 Grad Street Ellbogen Messing -Rohrverfügungen

3350# 45 Grad Street Ellbogen Messing -Rohrverfügungen

Produktfunktionen: Märkte:
■■ Alle Messingkonstruktionen ■■ Industriell
■■ Erfüllt die funktionalen Anforderungen von ■■ Konstruktion
SAE J530 und SAE J531 ■■ Schwerlastwagen
■■ Fäden, ■■ Mobile
■■ Sowohl Schmiedetaten als auch Extrusionen verfügbar ■■ Fabrik/Prozessautomatisierung

Anwendungen: Kompatible Schläuche:
■■ Luftleitungen ■■ Kupfer
■■ Wasserlinie ■■ Messing
■■ Kühlleitungen ■■ Eisenrohr

Spezifikationen:
Druckbereich von bis zu 1000 psi
Temperaturbereich -65 ° bis 250 ° F.

Typische Anwendung:
Fett, Brennstoffe, LP und Erdgas, Kühlung.Instrumentation und Hydrauliksysteme

Konformität:
Erfüllt Spezifikationen und Standards von ASA, ASME und SAE.

Referenzteil Nr.:
306 -3350 -2214p -224 -124a

Kontaktieren Sie uns

Spezifikationen

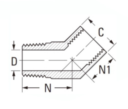
TEIL# Gewindegröße C D N N1
3350-A 1/8 × 1/8 9/16 .219 .50 .38
3350-b 1/4 × 1/4 11/16 .315 .74 .56
3350-C 3/8 × 3/8 13/16 .438 .78 .56
3350-d 1/2 × 1/2 1 " .562 1.00 .76
3350-e 3/4 × 3/4 1 "-1/4 .750 1.06 .75

*Ref.Sae Nr. 13339

Der 3350 ist eine 45 -Grad -Street -Ellbogenform. Die Anpassung wird für eine Vielzahl verschiedener Rohrleitungsmaterialien hergestellt und kann bis zu 1000 psi standhalten. Es verfügt auch über einen Betriebstemperaturbereich zwischen -65 ° und 250 ° F. Unsere 45 -Grad -Street -Ellbogen -Messing -Rohr -Pipe -Armaturen werden von unserem Team von erfahrenen Herstellern genau zu Ihren genauen Spezifikationen hergestellt. Der Street Elbow ist eine Rohrverbindung mit zwei Rohrfäden an einem Ende und das andere Ende eine 90 ° -Biegung im Rohr. Die Straßenelbogen werden in vielen verschiedenen Branchen von Sanitär bis zum Transport verwendet. Street -Ellbogen werden in weiblicher oder männlicher Konfiguration hergestellt, um den Flüssigkeitsfluss oder Gase über einen Bereich von Drücken, Temperaturen und Liniengrößen nach Bedarf zu erhöhen.

Kontakt mit uns

Um Leginen

Legines Industrial Machinery Inc.

Als professionelle chinesische Messingbeschaffungshersteller und Push -Fitmes -Lieferanten nimmt die vollständige CNC -Bearbeitung ein und besitzt die Werkstattfläche von 3600 Quadratmetern. 45 Automatische Werkzeugmaschinen, 35 halbautomatische CNC-Werkzeugmaschinen sowie Händler, die zu wichtigen Lieferanten für die Herstellung von amerikanischen Standard-Messing-Teilen in China geworden sind ...
  • Ehre
  • Ehre

ANWEISUNGEN & NACHRICHT