legines.com
3500# Messingbeschläge 90 Grad Ellbogenrohrarmaturen

3500# Messingbeschläge 90 Grad Ellbogenrohrarmaturen

Produktfunktionen: Märkte:
■■ Alle Messingkonstruktionen ■■ Industriell
■■ Erfüllt die funktionalen Anforderungen von ■■ Konstruktion
SAE J530 und SAE J531 ■■ Schwerlastwagen
■■ Fäden, ■■ Mobile
■■ Sowohl Schmiedetaten als auch Extrusionen verfügbar ■■ Fabrik/Prozessautomatisierung

Anwendungen: Kompatible Schläuche:
■■ Luftleitungen ■■ Kupfer
■■ Wasserlinie ■■ Messing
■■ Kühlleitungen ■■ Eisenrohr

Spezifikationen:
Druckbereich von bis zu 1000 psi
Temperaturbereich -65 ° bis 250 ° F.

Typische Anwendung:
Fett, Brennstoffe, LP und Erdgas, Kühlung.Instrumentation und Hydrauliksysteme

Konformität:
Erfüllt Spezifikationen und Standards von ASA, ASME und SAE.

Referenzteil Nr.:
2200p -3500 -302 -200 -28001 bis 28005 -100

Kontaktieren Sie uns

Spezifikationen

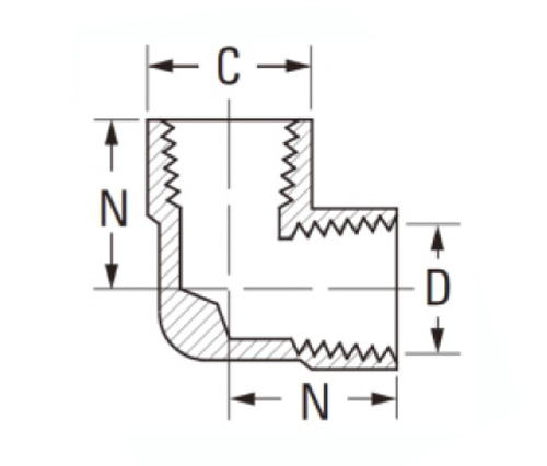
TEIL# Gewindegröße C D N N
3500-A 1/8 × 1/8 9/16 .219 .66 .47
3500-b 1/4 × 1/4 11/16 .315 .91 .72
3500-c 3/8 × 3/8 13/16 .438 .97 .78
3500-d 1/2 × 1/2 1 " .562 1.25 1.03
3500-e 3/4 × 3/4 1 "-1/4 .750 1.38 1.12

Ref.Sae Nr. 1330238

Unsere 90-Grad-Ellbogen werden aus Messing hergestellt und werden den Bedürfnissen von Industrie- und Bauanwendungen entsprechen. Forged Messing ist langlebiger, härter und weniger wahrscheinlich, als extrudierte Produkte zu beugen. Unsere Bronzebüros haben auch einen besseren Widerstand gegen Schock und Vibration. Wir bieten sowohl gefälschte als auch extrudierte Rohrverbindungen für Projekte in allen Branchenanwendungen an, einschließlich Luftleitungen, Wasserleitungen, Kühlleitungen und vielem mehr. Messingbeschläge werden mit den höchsten Qualitätsstandards hergestellt. Vom Schmiedvorgang bis zum Faden- und Endverlauf wird jede Stufe mit Präzisionswerkzeugen überprüft. Diese Ausstattung entsprechen den funktionalen Anforderungen von SAE J530 und SAE J531, während sie mit SAE Standard SAE J514 und ASME B16.21 kompatibel sind. Unsere 90 -Grad -Ellbogen werden aus hochwertiger Messing hergestellt und bieten eine starke und dauerhafte Struktur. Wir bieten sowohl Fabrik- als auch Lkw -Montageoptionen mit zwei verschiedenen Barb -Konfigurationen an, um große Bohrrohr -Schlauchgrößen aufzunehmen. Egal, ob Sie einen Ersatz suchen oder Ihr System verbessern möchten, Crouse-Hinds können helfen.

Kontakt mit uns

Um Leginen

Legines Industrial Machinery Inc.

Als professionelle chinesische Messingbeschaffungshersteller und Push -Fitmes -Lieferanten nimmt die vollständige CNC -Bearbeitung ein und besitzt die Werkstattfläche von 3600 Quadratmetern. 45 Automatische Werkzeugmaschinen, 35 halbautomatische CNC-Werkzeugmaschinen sowie Händler, die zu wichtigen Lieferanten für die Herstellung von amerikanischen Standard-Messing-Teilen in China geworden sind ...
  • Ehre
  • Ehre

ANWEISUNGEN & NACHRICHT