legines.com
3600# Messingbeschläge Ast -T -Shirt -Messing -Rohrverfügungen

3600# Messingbeschläge Ast -T -Shirt -Messing -Rohrverfügungen

Produktfunktionen: Märkte:
■■ Alle Messingkonstruktionen ■■ Industriell
■■ Erfüllt die funktionalen Anforderungen von ■■ Konstruktion
SAE J530 und SAE J531 ■■ Schwerlastwagen
■■ Fäden, ■■ Mobile
■■ Sowohl Schmiedetaten als auch Extrusionen verfügbar ■■ Fabrik/Prozessautomatisierung

Anwendungen: Kompatible Schläuche:
■■ Luftleitungen ■■ Kupfer
■■ Wasserlinie ■■ Messing
■■ Kühlleitungen ■■ Eisenrohr

Spezifikationen:
Druckbereich von bis zu 1000 psi
Temperaturbereich -65 ° bis 250 ° F.

Typische Anwendung:
Fett, Brennstoffe, LP und Erdgas, Kühlung.Instrumentation und Hydrauliksysteme

Konformität:
Erfüllt Spezifikationen und Standards von ASA, ASME und SAE.

Referenzteil Nr.:
2224p -3600 -T9 -x106 -226 -329 -128 -28281 ~ 28285

Kontaktieren Sie uns

Spezifikationen

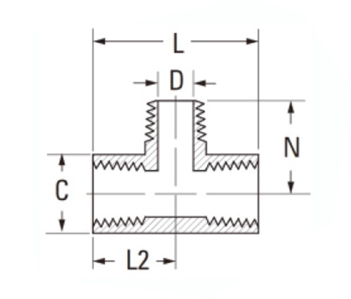
TEIL# Gewindegröße C D L2 N
3600-A F1/8 × M1/8 9/16 .219 1.10 .66
3600-b F1/4 × M1/4 11/16 .315 1.56 .91
3600-c F3/8 × M3/8 13/16 .438 1.68 .97
3600-d F1/2 × M1/2 1 " .562 2.18 1.25
3600-e F3/4 × M3/4 1 "-1/4 .750 2.31 1.38

*Ref.Sae Nr. 1330425

Hochleistungszweig -T -Shirt -Ausstattungen bestehen aus schweren Messingmessingmessing, die nach SAE J530 und SAE J531 -Standards hergestellt werden. Sie sind sowohl in Schmiedetaten als auch in Extrusionen erhältlich, was uns die Vielseitigkeit bietet, unseren Kunden eine Vielzahl von Optionen zu bieten. Diese Zweig-T-Shirts sind sowohl mit Druck- als auch Temperaturnoten erstellt und sind für praktisch jeden industriellen Prozess geeignet. Beide Schläuche können mit dieser Anpassung erfolgreich eingesetzt werden. Unsere Linie von Kupfer- und Messingzweig -T -Shirts bietet Ihnen eine überlegene Qualität und eine zuverlässige Leistung in der breitesten Anwendungsreichweite. Unsere qualifizierten Ingenieure können Ihnen dabei helfen, das beste Produkt auszuwählen oder ein System zu entwerfen, um Ihre spezifischen Anforderungen zu erfüllen

Kontakt mit uns

Um Leginen

Legines Industrial Machinery Inc.

Als professionelle chinesische Messingbeschaffungshersteller und Push -Fitmes -Lieferanten nimmt die vollständige CNC -Bearbeitung ein und besitzt die Werkstattfläche von 3600 Quadratmetern. 45 Automatische Werkzeugmaschinen, 35 halbautomatische CNC-Werkzeugmaschinen sowie Händler, die zu wichtigen Lieferanten für die Herstellung von amerikanischen Standard-Messing-Teilen in China geworden sind ...
  • Ehre
  • Ehre

ANWEISUNGEN & NACHRICHT