legines.com
72# Messing Männliche Lauf -T -Shirt -Kompressionsfunktionen

72# Messing Männliche Lauf -T -Shirt -Kompressionsfunktionen

Messing männlichen Lauf -T -Shirt -Kompressionsfunktionen 71

Anwendungen: Märkte:
■■ Luftleitungen ■■ Industriell
■■ Schmierlinien ■■ Verpackung
■■ Kühlleitungen ■■ Pneumatisch
■■ Industrie ■■ Drucken
■■ Maschinen
■■ Kompressoren
■■ Flüssigkeitsübertragung

Produktfunktionen:
■■ Erfüllt die funktionalen Anforderungen von SAE J-512
■■ UL wurde für brennbare Flüssigkeit gelistet
■■ Messing- oder Acetalärmel erhältlich
■■ Keine Rohrvorbereitung
■■ Geschmiedete und extrudierte Formen

71 -171c -71a -S71

Kontaktieren Sie uns

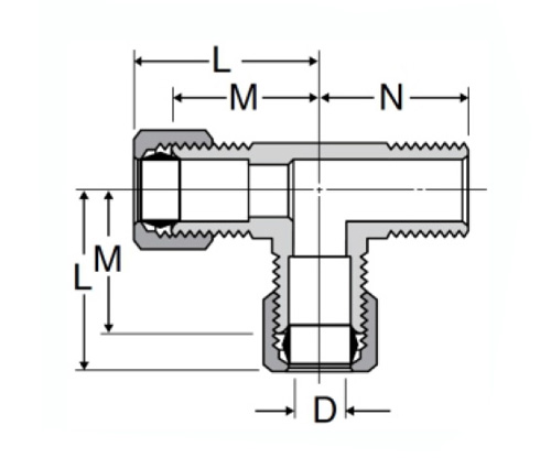
Spezifikationen

TEIL#

Rohr o.d × männlicher Nptf

M

N

D

71-3a

3/16 × 1/8

.63

.69

.125

71-4a

1/4 × 1/8

.63

.75

.188

71-4b

1/4 × 1/4

.69

.88

.188

71-5a

5/16 × 1/8

.72

.75

.250

71-5b

5/16 × 1/4

.75

.88

.250

71-6a

3/8 × 1/8

.75

.75

.312

71-6b

3/8 × 1/4

.79

.87

.312

71-6c

3/8 × 3/8

.88

1.00

.330

71-8c

1/2 × 3/8

.94

1.09

.406

71-8d

1/2 × 1/2

.97

1.19

.406

71-10d

5/8 × 1/2

1.06

1.31

.500

Unsere 72# männlichen T-Shirt-Kompressionsfunktionen von Messings erfüllen die funktionalen Anforderungen von SAE J-512 und sind UL für brennbare Flüssigkeit aufgeführt. Diese Armaturen haben keine Rohrvorbereitung und sind geschmiedete und extrudierte Formen. Sie sind in einer Reihe von Materialien erhältlich, darunter Messing-, Kunststoff- und Metallhülsen. Es verfügt über eine Messing- oder Acetalhülle und kann in einer Vielzahl von Anwendungen wie Fahrwerk, Übertragungen und Kraftstoffsystemen verwendet werden. Es ist keine Rohrvorbereitung erforderlich.

Kontakt mit uns

Um Leginen

Legines Industrial Machinery Inc.

Als professionelle chinesische Messingbeschaffungshersteller und Push -Fitmes -Lieferanten nimmt die vollständige CNC -Bearbeitung ein und besitzt die Werkstattfläche von 3600 Quadratmetern. 45 Automatische Werkzeugmaschinen, 35 halbautomatische CNC-Werkzeugmaschinen sowie Händler, die zu wichtigen Lieferanten für die Herstellung von amerikanischen Standard-Messing-Teilen in China geworden sind ...
  • Ehre
  • Ehre

ANWEISUNGEN & NACHRICHT