legines.com
702 Umgefügte Flare Union T -Shirt -Fitements

702 Umgefügte Flare Union T -Shirt -Fitements

Produktfunktionen:
■■ Alle Messingkonstruktionen
■■ UL wurde für brennbare Flüssigkeit und Gas aufgeführt
■■ Erfüllt die funktionalen Anforderungen von SAE J512
■■ Stahlmutter für die Wirtschaftlichkeit

Märkte: Anwendungen:
■■ Klimaanlage ■■ Kältemittellinien
■■ Marine ■■ Bremsleitungen
■■ Mobile ■■ Kraftstoffleitungen
■■ Motoren

Kompatible Schläuche:
■■ Kupfer
■■ Messing
■■ Aluminium
■■ Hydraulischer Schläuche mit geschweißtem Stahl

Referenzteil Nr.:
244ifhd -702 -441

Kontaktieren Sie uns

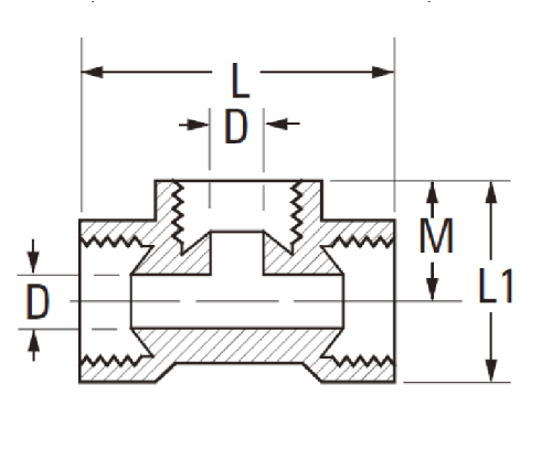
Spezifikationen

TEIL#

Rohr o.d

D

M

L

702-2 1/8 .078 .330 .94
702-3 3/16 .125 .390 1.09
702-4 1/4 .188 .420 1.13
702-5 5/16 .219 .450 1.25
702-6 3/8 .281 .560 1.48
702-8 1/2 .406 .937 1.76

*Ref.Sae Nr. 040401 Ba

Die inverted Flare Union T -Shirt -Anpassung wird verwendet, um zwei Röhrchen zu verbinden. Diese Anpassung ermöglicht den Fluss von einer Verbindung aus der entgegengesetzten Verbindung, ohne den Druck oder den Fluss zu verringern. Es verfügt über eine vollständig ineinandergreifende Messingkonstruktion und verfügt über ein SAE J512 -konformes Design, sodass es der Korrosion widerstehen kann. Das umgekehrte Flare Union -T -Shirt kann sowohl in gewerblichen als auch in industriellen Anwendungen wie Klimaanlage, Kältemittel, Meeresmotoren, Bremslinien und mobilen Kraftstoffleitungen eingesetzt werden.
Unsere 702 invertierten Flare Union -T -Shirt -Ausstattung bestehen aus Messing und erfüllen die Anforderungen von SAE J512. Es hat eine Stahlmutter für die Wirtschaftlichkeit, die es in den Linien von Frostschutzmittel, Bremsflüssigkeit, Kühlwasser des Meeresmotors und Goo verwendet werden kann.

Kontakt mit uns

Um Leginen

Legines Industrial Machinery Inc.

Als professionelle chinesische Messingbeschaffungshersteller und Push -Fitmes -Lieferanten nimmt die vollständige CNC -Bearbeitung ein und besitzt die Werkstattfläche von 3600 Quadratmetern. 45 Automatische Werkzeugmaschinen, 35 halbautomatische CNC-Werkzeugmaschinen sowie Händler, die zu wichtigen Lieferanten für die Herstellung von amerikanischen Standard-Messing-Teilen in China geworden sind ...
  • Ehre
  • Ehre

ANWEISUNGEN & NACHRICHT